Адрес электронной почты защищен от спам-ботов. Для просмотра адреса в браузере должен быть включен Javascript.
Комплексные решения
в энергетике
Адрес электронной почты защищен от спам-ботов. Для просмотра адреса в браузере должен быть включен Javascript.
Комплексные решения
в энергетике
Консультация инженера
Заполните форму и получите бесплатную консультацию опытного инженера или помощь в подборе оборудования
Техническая информация
Модельный ряд
| Маркировка | График рабочего диапазона | Мощность, min | Мощность, max | Расход топлива Природный газ, куб.м/ч, min | Расход топлива Природный газ, куб.м/ч, max | Выбросы NOx, мг/кВт•ч | Выброс NOx (FGR) кг/кВт•ч | Мощность вентилятора, кВт | Электро-подключение |
|---|---|---|---|---|---|---|---|---|---|
| ECO NG LNX 90 G (FGR) | 180.00 | 900.00 | 18.76 | 93.82 | 80 | 50 | 1.50 | 3N 400 | |
| ECO NG LNX 120 G (FGR) | 250.00 | 1200.00 | 44738.00 | 125.09 | 80 | 50 | 2.20 | 3N 400 | |
| ECO NG LNX 200 G (FGR) | 470.00 | 2000.00 | 48.99 | 208.48 | 80 | 50 | 3.00 | 3N 400 | |
| ECO NG LNX 300 G (FGR) | 430.00 | 3000.00 | 44.82 | 312.73 | 80 | 50 | 4.00 | 3N 400 | |
| ECO NG LNX 400 G (FGR) | 580.00 | 4000.00 | 60.46 | 416.97 | 80 | 50 | 7.50 | 3N 400 | |
| ECO NG LNX 560 G (FGR) | 798.00 | 5581.00 | 85.48 | 581.78 | 80 | 50 | 11.00 | 3N 400 | |
| ECO NG LNX 670 G (FGR) | 1150.00 | 6700.00 | 119.88 | 698.42 | 80 | 50 | 15.00 | 3N 400 | |
| ECO NG LNX 720 G (FGR) | 1200.00 | 7200.00 | 125.09 | 750.55 | 80 | 50 | 15.00 | 3N 400 | |
| ECO NG LNX 1150 G (FGR) | 3000.00 | 11500.00 | 312.73 | 1198.79 | 80 | 50 | 22.00 | 3N 400 |
График рабочего диапазона+

Особенности и преимущества
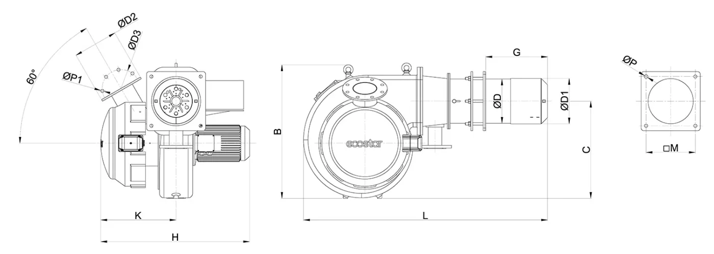
Размеры
| Модельный ряд | L | Gmin | Gmax | H | K | B | C | ØP | M | ØD | ØD1 | ØD2 | ØD3 |
|---|---|---|---|---|---|---|---|---|---|---|---|---|---|
| ECO NG LNX 90 G FGR | 1330 | 175 | 390 | 790 | 400 | 675 | 510 | 18 | 275 | 218 | 226 | 220 | 180 |
| ECO NG LNX 120 G FGR | 1330 | 175 | 390 | 790 | 400 | 675 | 510 | 18 | 275 | 218 | 226 | 220 | 180 |
| ECO NG LNX 200 G FGR | 1450 | 200 | 400 | 850 | 430 | 760 | 550 | 18 | 275 | 248 | 254 | 250 | 210 |
| ECO NG LNX 300 G FGR | 1600 | 240 | 550 | 1000 | 500 | 780 | 550 | 22 | 335 | 302 | 310 | 250 | 210 |
| ECO NG LNX 400 G FGR | 1850 | 210 | 590 | 1150 | 620 | 875 | 610 | 22 | 400 | 358 | 367 | 250 | 210 |
| ECO NG LNX 560 G FGR | Информация предоставляется по запросу | ||||||||||||
| ECO NG LNX 670 G FGR | Информация предоставляется по запросу | ||||||||||||
| ECO NG LNX 720 G FGR | Информация предоставляется по запросу | ||||||||||||
| ECO NG LNX 1150 G FGR | Информация предоставляется по запросу | ||||||||||||
Комплектация и дополнительное оборудование
| Оборудование и опции | Наличие/отсутствие для всех моделей |
|---|---|
| Форма управления | модуляционная |
| Механическая модуляция | + |
| Регулирование подачи воздуха | сервопривод |
| Регулирование подачи топлива | сервопривод |
| Настройка рециркуляции дымовых газов | сервопривод |
| Газовый вентиль | + |
| Зажигание | прямое |
| Минимальный датчик — реле давления газа | + |
| Максимальный датчик — реле давления газа | опция |
| Контроль утечки газа | опция |
| Датчик-реле давления воздуха | + |
| Глушитель на заборе воздуха (CTP) | + |
| Управление факелом | ионизация |
| УФ управление факелом | опция |
| Корпус с петлями для обслуживания | + |
| Подключение рециркуляции дымовых газов (блок управления ВТ340) | + |
| Подвижное удлинение жаровой трубы | +* |
| Подключение к системе регулирования процесса горения O2-CO | опция |
| Подключение инвертера вентилятора, подающего воздух для горения | опция |
| Станции подготовки топлива (газовая линия) | опция |
| Соответствие TS EN 676+A2 и 2016/426/EC GAR | + |
| Класс электрозащиты | IP54 |
* кроме моделей: ECO NG LNX 560 G (FGR), ECO NG LNX 670 G (FGR), ECO NG LNX 720 G (FGR), ECO NG LNX 1150 G (FGR)
Сделаем все за вас
Есть заявка или проектная документация, но нет времени искать поставщика оборудования, самостоятельно сравнивать характеристики и вникать в тонкости и различия?
Наши опытные специалисты подберут всю необходимую комплектацию вашего объекта под ключ. Звоните или заполняйте заявку на обратный звонок, мы перезваниваем в течение нескольких минут.
Консультация инженера
Заполните форму и получите бесплатную консультацию опытного инженера или помощь в подборе оборудования